QR kode
Produkter
Kontakt os


Fax
+86-574-87168065

E-mail

Adresse
Luotuo Industrial Area, Zhenhai District, Ningbo City, Kina
Raydafons SWC-DH korte flex-svejsningstype Universal-kobling er bygget til at forbinde forkert justerede aksler i tunge gear-tænk rullende møller, hejse- og stålforarbejdningsmaskiner. Det er en kompakt kort flex universel kobling med en gyrationsdiameter, der spænder fra 45 mm til 390 mm. Selv når aksler er ude af op til 25 grader (vinkelforstærkning), bevæger det stadig drejningsmomentet effektivt - at dæmpe på 1000 kN · m, der passer lige ind med tunge udstyrs effektbehov.
Vi laver det med høj styrke 35CRMO stål og tilføjer fire nålelejer, så det holder op under tunge belastninger. Derfor er det et solidt valg til industrielle maskiner universelle koblinger og fungerer godt som tungt udstyr svejsede universelle koblinger på pletter, hvor belastninger forbliver højt direkte. Dens korte flex-design er også perfekt til maskiner med lidt plads til aksial bevægelse-giver en hård transmissionsfix til hårde industrirum.
Raydafon er en Kina-baseret producent med ISO 9001-certificering, så vi holder os til strenge kvalitetsregler for hver SWC-DH Universal-kobling. Krydsskaftet får en kromplade til at bekæmpe korrosion, så den varer, selv når forholdene er hårde. Det svejsede åg gør installationen også lettere - skal du bare linke akslerne rigtige, og det fungerer bedst. Du finder det på gear i metallurgi, minedrift og kranesystemer, ikke noget problem.
Plus, denne kobling findes i forskellige størrelser og drejningsmomentvurderinger. Hvis du har brug for en brugerdefineret universel kobling til industrielle maskiner - siger, til høstmaskiner eller andet specifikt gear - kan vi skræddersy det til dine behov, og prisen forbliver konkurrencedygtig. Vi har fået produktionskendskab til at gøre denne korte flex-kobling skåret ned på nedetid på udstyret, så dine maskiner kører mere pålideligt generelt.
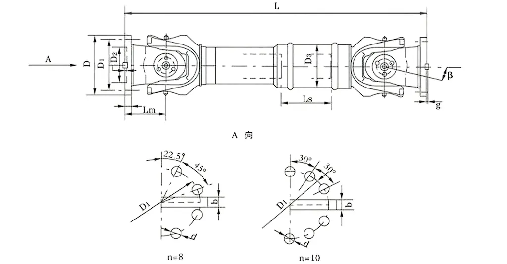
| Ingen. | Gyrationsdiameter d mm | Nominelt drejningsmoment Tn Kn · m | Akser fold vinkel β (°) | Tæt drejningsmoment TF Kn · m | Flex -mængde Ls mm | Størrelse (mm) | Roterende inerti kg.m2 | Vægt (kg) | |||||||||||
| Lmin | D1 (JS11) | D2 (H7) | D3 | Lm | n-d | k | t | b (H9) | g | Lmin | Øge 100 mm | Lmin | Øge 100 mm | ||||||
| SWC180DH1 | 180 | 20 | 10 | ≤25 | 75 | 650 | 155 | 105 | 114 | 110 | 8-17 | 17 | 5 | - | - | 0.165 | 0.0070 | 58 | 2.8 |
| SWC180DH2 | 55 | 600 | 0.162 | 56 | |||||||||||||||
| SWC180DH3 | 40 | 550 | 0.160 | 52 | |||||||||||||||
| SWC225DH1 | 225 | 40 | 20 | ≤15 | 85 | 710 | 196 | 135 | 152 | 120 | 20 | 5 | 32 | 9.0 | 0.415 | 0.0234 | 95 | 4.9 | |
| SWC225DH2 | 70 | 640 | 0.397 | 92 | |||||||||||||||
| SWC250DH1 | 250 | 63 | 31.5 | ≤15 | 100 | 795 | 218 | 150 | 168 | 140 | 8-19 | 25 | 6 | 40 | 12.5 | 0.900 | 0.0277 | 148 | 5.3 |
| SWC250DH2 | 70 | 735 | 0.885 | 136 | |||||||||||||||
| SWC285DH1 | 285 | 90 | 45 | ≤15 | 120 | 950 | 245 | 170 | 194 | 160 | 8-21 | 27 | 7 | 40 | 15.0 | 1.876 | 0.0510 | 229 | 6.3 |
| SWC285DH2 | 80 | 880 | 1.801 | 221 | |||||||||||||||
| SWC315DH1 | 315 | 125 | 63 | ≤15 | 130 | 1070 | 280 | 185 | 219 | 180 | 10-23 | 32 | 8 | 40 | 15.0 | 3.331 | 0.0795 | 346 | 8.0 |
| SWC315DH2 | 90 | 980 | 3.163 | 334 | |||||||||||||||
| SWC350DH1 | 350 | 180 | 90 | ≤15 | 140 | 1170 | 310 | 210 | 267 | 194 | 10-23 | 35 | 8 | 50 | 16.0 | 6.215 | 0..2219 | 508 | 15.0 |
| SWC350DH2 | 90 | 1070 | 5.824 | 485 | |||||||||||||||
| SWC390DH1 | 390 | 250 | 125 | ≤15 | 150 | 1300 | 345 | 235 | 267 | 215 | 10-25 | 40 | 8 | 70 | 18.0 | 11.125 | 0.2219 | 655 | |
| SWC390DH2 | 90 | 1200 | 10.763 | 600 | |||||||||||||||
* 1. TF-under vekslingsbelastningen af drejningsmomentet, der tillader i henhold til træthedsstyrken. * 2. lmin-den mindst længde efter snit. * 3. l-install længde, som er i henhold til kravet
SWC Universal Joint-koblingen, ofte kaldet SWC Cardan Shaft Universal Joint-kobling, er en nøglekomponent i tunge industrielle scenarier. Det er uundværligt for rullende møller, hejsning af maskiner og forskellige store tunge maskinsystemer. Som en universal sammenkobling med højt drejningsmoment kan den effektivt forbinde to transmissionsaksler med ikke-coincident-akser, hvilket sikrer uafbrudt kraftoverførsel, selv under komplekse og barske arbejdsvilkår.
De grundlæggende tekniske parametre for denne kobling er som følger:
Gyrationsdiameter: φ58 - φ620
Nominelt drejningsmoment: 0,15 - 1000 kN · m
Axis foldvinkel: ≤25 °
I praktiske applikationer fungerer det usædvanligt godt. For eksempel er det nødvendigt med rullende møller under rullende mølleoperationer, når der kræves en pålidelig kraftig universel fælles kobling dedikeret til rullende møller, eller i løft og materialehåndteringsudstyr, når der kræves en holdbar SWC-universel ledskoblingskobling, er dette produkt fuldt kompetent. Selv under tunge belastninger kan det stabilt opretholde udstyrets operationelle stabilitet.
SWC Universal -fælles kobling er designet ved hjælp af avancerede tekniske principper, der leverer enestående ydelse og længere levetid i industrielle miljøer. Dens vigtigste strukturelle træk er som følger:
Rimelig og sikker struktur: Med et integreret gaffelhoveddesign reducerer dette industrielle universelle ledkobling risikoen for, at bolt løsner eller brud, hvilket øger strukturel styrke med 30%-50%. Dette design sikrer sikker og pålidelig drift, udvider levetiden sammenlignet med traditionelle modeller og forhindrer almindelige fejl i højtryksscenarier såsom tunge maskiner universelle fælles koblingssystemer.
Forbedret bærende kapacitet: SWC-tunge universelle ledkobling er specifikt designet til at bære tunge belastninger, hvilket gør det vigtigt i scenarier, der kræver fremragende belastningsstyring såsom minedrift eller konstruktionsmaskineri.
Høj transmissionseffektivitet: Med en effektivitet på op til 98,6%reducerer denne effektive universelle ledkobling til højeffekt transmission markant energiforbruget og relaterede omkostninger, hvilket gør det til det første valg til energibesparende universelle fælles koblingsløsninger i højeffekt industrielle transmissionssystemer.
Stabil drift med lav støj: Denne universelle ledkobling med lav støj fungerer stabilt med støjniveauer typisk mellem 30-40 dB (A), hvilket sikrer stille ydeevne. Det er ideelt til støjfølsomme miljøer, mens den opretholder høj pålidelighed.
Universelle fælles koblinger, især SWC Cardan Shaft Universal Joint -kobling, er blevet uundværlige transmissionskomponenter i industrielle applikationer på grund af deres fremragende fordele. De kan imødekomme kernebehov med deres ydeevne inden for felter som tunge maskiner, præcisionsproduktion og energioverførsel. Nedenfor er en detaljeret analyse af deres vigtigste fordele:
1. stærk drejningsmomenttransmission og fremragende misjusteringskompensation
Som en universal sammenkobling med højt drejningsmoment kan den stabilt transmittere højeffektbelastninger. Selv i scenarier, hvor skaft forkert justering ofte forekommer under rullende mølleoperationer-såsom aksial forskydning forårsaget af rulletøj og temperaturændringer under stålrulling-kan denne pålidelige tunge universelle ledkobling til rullende mølle operationer håndtere det let. Det kan samtidig kompensere for vinkel, aksial og radiale forkert justeringer med en maksimal vinkelforstærkning på op til 25 grader. Denne fremragende forkert justeringstilpasningsevne forhindrer transmissionsstop forårsaget af skaft forkert justering, sikrer kontinuerlig og stabil strømforsyning, reducerer sandsynligheden for mekaniske fejl under ekstreme arbejdsvilkår og garanterer den kontinuerlige drift af produktionslinjer.
2. Høj holdbarhed og længere levetid
Design- og materialevalget af SWC Universal Joint -koblinger er centreret om "at modstå tunge belastninger og modstå hårde miljøer". Hovedlegemet er lavet af højstyrke-legeringsstål kombineret med en integreret gaffelhovedstruktur, hvilket grundlæggende reducerer almindelige fejlpunkter, såsom bolt-løsning og komponentbrud. Ved at tage den holdbare SWC Universal -ledskobling, der bruges til løft og materialehåndteringsudstyr som et eksempel, kan det modstå den øjeblikkelige påvirkningsbelastning, når man løfter tunge genstande og opretholder stabil ydeevne i barske miljøer såsom støv og høje temperaturer. Sammenlignet med traditionelle split-struktur-koblinger er denne industrielle universelle ledkobling en samlet styrke steget med 30%-50%, hvilket ikke kun reducerer hyppigheden af daglig vedligeholdelse, men også udvider levetiden med 2-3 år. Det er især velegnet til de langsigtede højbelastningsdriftsbehov for tunge maskiner universelle fælles koblingssystemer.
3. høj transmissionseffektivitet og betydelig energibesparende effekt
Tests har vist, at transmissionseffektiviteten af SWC Heavy-Duty Universal Joint-koblingen er så høj som 98,6%, hvilket har åbenlyse fordele i industrielle transmissionsscenarier-såsom eksplosionsovnsventilatorer i stålplanter og kultransportsystemer i kraftværker. For udstyr, der kræver kontinuerlig højeffekt transmission, kan matche med denne effektive universelle ledkobling til stor kraftoverførsel minimere effekttab. For virksomheder, der forfølger energibesparende universelle fælles koblingsløsninger, kan denne høje effektivitet direkte konverteres til omkostningsfordele: At tage en 1500 kW industrimotor som et eksempel kan det spare mere end 12.000 yuan i elektricitetsomkostninger om året, og kan hjælpe virksomheder med at reducere betydelige driftsomkostninger i langvarig brug, mens de overholder energibesparende og forbrugsreduktionsuddannelser i de industrielle felt.
4. Stabil og stille drift, velegnet til flere scenarier
Ved at optimere lejefit-nøjagtigheden og bruge smørefedt med en lav friktionskoefficient, kontrolleres driftsstøjen for dette lavt støj universelle ledkobling strengt ved 30-40 dB (A), hvilket svarer til det omgivende støjniveau på et dagligt kontor og overholder fuldt ud støjemissionsstandarderne for industrielle steder. I støjfølsomme scenarier-såsom produktionslinjer i fødevareforarbejdningsanlæg og formidling af udstyr til præcisions elektroniske komponenter-kan det ikke kun sikre stabiliteten og pålideligheden af transmissionssystemet, men også undgå at påvirke workshopmiljøet eller medarbejdernes driftserfaring på grund af støj. På samme tid kan de stabile transmissionsegenskaber også reducere slidet af de omgivende komponenter forårsaget af udstyrsvibrationer, hvilket yderligere forbedrer driftsstabiliteten og levetiden for hele produktionssystemet.
SWC-DH korte flex-svejsningstype universel kobling, ofte benævnt SWC Cardan Shaft Universal Joint-kobling, bruges hovedsageligt i tunge maskinscenarier, såsom rullende møller og hejse. Denne type udstyr har ekstremt høje krav til strukturel kompakthed og fleksibilitet - kun ved at opfylde disse to punkter kan der opnås effektiv drift, og denne kobling imødekommer perfekt sådanne behov. Som en universal sammenkobling med højt drejningsmoment kan den effektivt forbinde to transmissionsaksler med ikke-coincident-akser, hvilket sikrer problemfri kraftoverførsel, selv i barske industrielle miljøer, der kræver præcis kompensation for skaftsystemets forkert justering.
I praktiske anvendelser, hvad enten det er nødvendigt med en pålidelig kraftig universel ledkobling til rullende mølleoperationer under rullende møllearbejde, eller en holdbar SWC-universel ledskobling er påkrævet i løft og materialehåndteringsudstyr, kan dette produkt udføre fremragende-det kan opretholde stabil udstyrsdrift, selv under ekstreme belastninger. Dens tilpasningsevne er især fremtrædende i kompakte udstyrslayouts, hvor pladsen er begrænset og et kort fleksibelt strukturdesign er påkrævet.
Denne SWC-DH industrielle universelle ledkobling er bygget med avanceret ingeniørteknologi og optimeret til ydeevne og levetid specifikt til industrielle scenarier. Dens kerne-strukturelle træk ligger i dets rimelige og sikre design: den integrerede gaffelhovedstruktur eliminerer grundlæggende de skjulte farer ved bolt, der løsner eller brud, hvilket øger den samlede styrke med 30%-50%. Dette design sikrer ikke kun sikkerheden og pålideligheden af driften, men udvider også levetiden sammenlignet med traditionelle modeller, samtidig med at man undgår almindelige fejlproblemer i applikationsscenarier med høj stress, såsom tunge maskiner universelle fælles koblingssystemer.
Derudover forbedres dens bærende kapacitet gennem design til at modstå større vægte, så denne SWC-tunge universelle fælles kobling er meget velegnet til scenarier med strenge krav til bærende kapacitet, såsom minemaskiner og konstruktionsudstyr. Med hensyn til transmissionseffektivitet når den op til 98,6%. Som en effektiv universel fælles kobling til stor kraftoverførsel kan den reducere energiforbruget og elomkostningerne markant, hvilket gør det til et foretrukket produkt til energibesparende universelle fælles koblingsløsninger inden for industriel transmission med høj effekt.
Endelig har denne kobling stabil transmission med driftsstøj, der normalt kontrolleres ved 30-40 dB (A), hvilket gør det til en universal ledkobling med lavt støj. Denne egenskab giver den mulighed for at fungere stille selv i støjfølsomme industrielle scenarier, mens den altid opretholder høj pålidelighed.
⭐⭐⭐⭐⭐ Wang Lei, Project Engineer, Guangdong Heavy Machinery Co., Ltd.
Vi har brugt Raydafons SWC-DH korte flex-svejsningstype universel kobling i vores tunge maskiner i et stykke tid nu, og det har været en behagelig overraskelse-især når det kommer til at passe ind på trange steder. Vores udstyr har temmelig begrænset plads til transmissionsdele, men denne koblings kompakte design passer som en handske, ikke nødvendigt at omarrangere andre komponenter bare for at få det til at fungere.
Hvad der er endnu bedre er, at det ikke ofrer ydeevne for størrelse. Det leverer stadig stærk, stabil drejningsmomenttransmission-kritisk til vores tunge operationer. Vi har kørt det kontinuerligt i uger, og der har været nul unormal vibration; Hele systemet forbliver glat. Svejsningskvaliteten er også et andet højdepunkt-du kan fortælle, at det er solidt bare ved at se på den, hvilket giver os total tillid, at den vil holde op til langvarig tung brug. For en kobling, der afbalancerer rumbesparende design og pålidelighed, er denne en vinder.
⭐⭐⭐⭐⭐ Zhao Ming, indkøbschef, Tianjin Steel Equipment Co., Ltd.
Vi bestilte for nylig flere SWC-DH-koblinger fra Raydafon, og jeg må sige, hele indkøbsprocessen var en leg-ingen hovedpine, ingen forsinkelser. Fra det øjeblik, vi sendte ordren, var deres team lydhør, og leveringen dukkede op lige på den planlagte dato, hvilket er et stort plus til at holde vores produktion på sporet. Emballagen var også top-notch: hver kobling blev indpakket sikkert, ingen buler eller skade under forsendelse-bare klar til at unbox og installere.
Vores tekniske team håndterede opsætningen, og de nævnte med det samme, hvor let det var at montere. Ingen komplicerede trin, ingen grund til at jage efter specielle værktøjer - de fik det hurtigt monteret, og det har kørt pålideligt lige siden. Når du indgår i den rimelige pris parret med denne konsistente ydelse, er det klart, at denne kobling giver stor værdi. Vi planlægger allerede at holde det på vores almindelige indkøbsliste; Det er den slags produkt, der gør mit job som køber lettere.
⭐⭐⭐⭐⭐ Liu Hong, vedligeholdelsesdirektør, Shandong Industrial Group
Som en person, der fører tilsyn med vedligeholdelse af udstyr, er min største prioritet at skære ned på nedetid og reducere den tid, mit team bruger på serviceringsdele. Raydafons SWC-DH-kobling kontrollerer begge disse kasser perfekt. Vi bruger det i udstyr, der kører under tunge arbejdsbelastninger dagligt, og det glider aldrig eller skifter - opstår fast på plads, ingen løse forbindelser. Selv efter måneders brug er der næppe noget tegn på slid, hvilket er en enorm kontrast til andre koblinger, vi har brugt før.
Med de ældre koblinger planlagde vi altid hurtige rettelser eller deludskiftninger, der spiste i produktionstid og tilføjede omkostningerne. Denne? Vi rører næppe det - ingen hyppig service, ingen uventede sammenbrud. Det har sparet os så meget tid og penge på vedligeholdelse, og det fortsætter bare med at udføre sit job pålideligt. I disse dage er det blevet en go-to-komponent i vores daglige operationer; Jeg behøver ikke at bekymre mig om, at det mislykkes, hvilket lader mig fokusere på andre prioriteter. Det er nøjagtigt den slags pålidelige del, som enhver vedligeholdelsesteam har brug for.
Adresse
Luotuo Industrial Area, Zhenhai District, Ningbo City, Kina
Tlf


+86-574-87168065


Luotuo Industrial Area, Zhenhai District, Ningbo City, Kina
Copyright © Raydafon Technology Group Co., begrænsede alle rettigheder forbeholdt.
Links | Sitemap | RSS | XML | Privatlivspolitik |
