QR kode
Produkter
Kontakt os


Fax
+86-574-87168065

E-mail

Adresse
Luotuo Industrial Area, Zhenhai District, Ningbo City, Kina
Raydafons SWC-WF uden universel kobling af flex-flangetype er lavet kun til transmission med højt drejningsmoment i tunge maskiner-tænker metallurgiudstyr, kraner, minesystemer, alle de hårde opsætninger, der har brug for stabil strøm. Det har et ikke-fleksibelt flangedesign, gyrationsdiametre, der spænder fra 160 mm til 640 mm, og denne flangetype universelle kobling håndterer store vinkelforstærkninger plus kontinuerlige roterende hastigheder ikke noget problem, selv når de arbejder i super krævende forhold. Vi bruger 35CRMO stål med høj styrke til at bygge det, så det står op til intense belastninger perfekt-udbredt hvorfor det er et øverste valg til universelle koblinger til tunge maskiner og ikke-flex universelle koblinger til industrielle applikationer. Raydafons præcisionsproduktion sørger for, at den leverer solid ydeevne hver gang, især for industrier, der ikke kan gå på kompromis med konsekvent levering af drejningsmoment.
Denne SWC-WF Universal-kobling er bygget til at vare med en stiv flangeforbindelse, der gør installationen let i systemer som skibsbygningsdrev og rullende møller-steder, hvor aksial bevægelse ikke er meget. Vi følger ISO 9001 standarder strengt, og vores Kina-baserede fabrik bruger avanceret bearbejdning plus stramme kvalitetskontrol for at gøre denne holdbare flange universel kobling. Det leveres i tilpasselige størrelser med drejningsmomentvurderinger op til 1250 kN · m, så det passer lige ind i brugerdefinerede universelle koblinger til metallurgiudstyr og andre tunge opsætninger. Raydafon tilbyder også skræddersyede løsninger til konkurrencedygtige priser, der hjælper med at skære ned på nedetid og øge dit udstyrs pålidelighed.
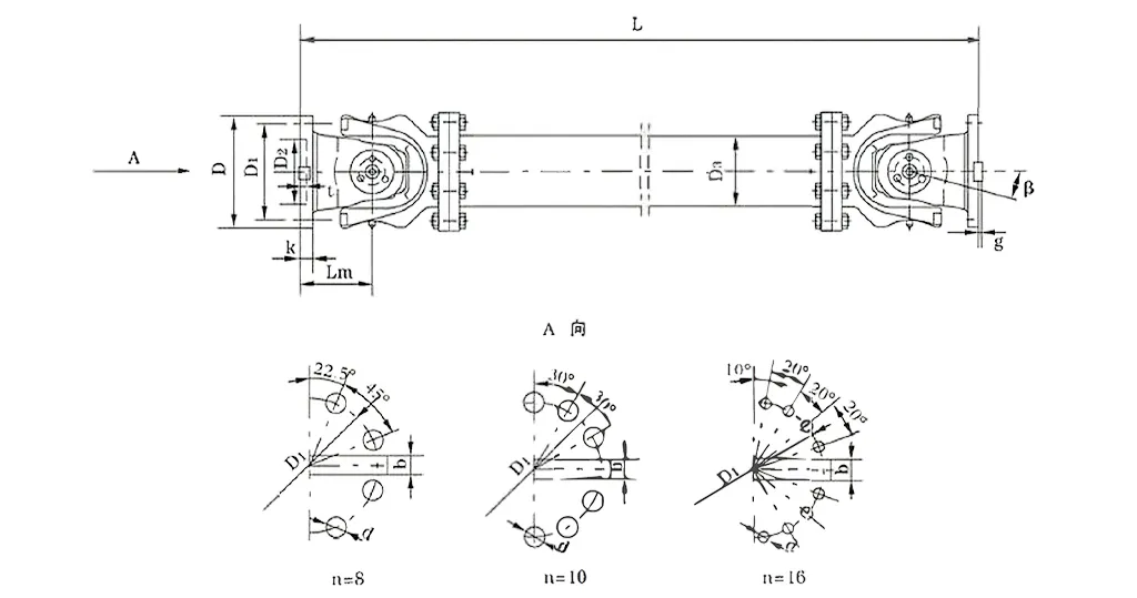
| Ingen. | Gyrationsdiameter d mm | Nominelt drejningsmoment Tn Kn · m | Akser fold vinkel β (°) | Træt drejningsmoment Tf Kn · m | Størrelse (mm) | Roterende inerti kg.m2 | Vægt (kg) | |||||||||||
| Lmin | D1 (JS11) | D2 (H7) | D3 | Lm | n-d | k | t | b (H9) | g | Lmin | Øge 100 mm | Lmin | Øge 100 mm | |||||
| SWC285WF | 285 | 90 | 45 | ≤15 | 810 | 245 | 170 | 194 | 160 | 8-21 | 27 | 7 | 40 | 15 | 2.664 | 0.051 | 220 | 6.3 |
| SWC315WF | 315 | 125 | 63 | 915 | 280 | 185 | 219 | 180 | 10-23 | 32 | 8 | 40 | 15 | 4.469 | 0.0795 | 300 | 8.0 | |
| SWC350WF | 350 | 180 | 90 | 980 | 310 | 210 | 267 | 194 | 10-23 | 35 | 8 | 50 | 16 | 7.388 | 0.2219 | 412 | 15.0 | |
| SWC390WF | 390 | 250 | 125 | 1100 | 345 | 235 | 267 | 215 | 10-25 | 40 | 8 | 70 | 18 | 13.184 | 0.2219 | 588 | 15.0 | |
| SWC440WF | 440 | 355 | 180 | 1290 | 390 | 255 | 325 | 260 | 16-28 | 42 | 10 | 80 | 20 | 23.250 | 0.4744 | 880 | 21.7 | |
| SWC490WF | 490 | 500 | 250 | 1360 | 435 | 275 | 325 | 270 | 16-31 | 47 | 12 | 90 | 22.5 | 40.750 | 0.4744 | 1173 | 21.7 | |
| SWC550WF | 550 | 710 | 355 | 1510 | 492 | 320 | 426 | 305 | 16-31 | 50 | 12 | 100 | 22.5 | 68.480 | 1.3570 | 1663 | 34.0 | |
| SWC620WF | 620 | 1000 | 500 | 1690 | 555 | 380 | 426 | 340 | 10-38 | 55 | 12 | 100 | 25 | 127.530 | 1.3570 | 2332 | 34.0 | |
* 1. TF-under vekslingsbelastningen af drejningsmomentet, der tillader i henhold til træthedsstyrken.
* 2. l-install længde, som er i henhold til kravet.
Raydafons SWC-WF uden flex-flangetype universel ledkobling-også kaldet SWC Cardan Shaft Universal Joint-kobling-værker på en grundlæggende mekanisk idé: det får drejningsmoment fra to ikke-kollinære aksler til det sted, det skal hen, og det håndterer også forkert justering. Denne universelle ledkobling med højt drejningsmoment bruger en krydsbærende opsætning til at forbinde flangerne i begge ender, så selv når akslerne opvejes af op til 25 grader eller har aksiale/radiale afvigelser, bevæger den stadig rotationseffekten glat.
Hjertet i, hvordan det fungerer, er det universelle leddesign - der er en krydsaksel, der fungerer som en drejning, der lader hver flange bevæge sig på egen hånd. På den måde går drejningsmomentet fra drivakslen til den drevne skaft effektivt, og det kompenserer for vinkelforstærkninger uden at lægge for meget stress på de dele, den er forbundet til. Hvis du har brug for en pålidelig kraftig universel ledkobling til rullende mølleoperationer, holder denne en stive, ikke-fleksible flangestruktur tingene stabile, hvilket er perfekt til kortdistanceforbindelser i kompakte tunge maskiner.
Det, der får sin funktion til at skille sig ud, er, at den ikke har fleksible dele eller ekspansionsfunktioner - dette adskiller den fra andre typer og gør det godt til steder, hvor aksial bevægelse er minimal. Den holdbare SWC Universal Joint Shaft -kobling, vi bruger i løft- og materialehåndteringsudstyr, læner sig på dette princip for at forblive afbalanceret selv under store belastninger; Det rammer transmissionseffektiviteten op til 98,6% og spilder ikke meget energi. Denne industrielle universelle fælles kobling skærer også ned på vibrationer takket være præcis lejebevægelse, så den kører glat selv i situationer med høj stress-ligesom det tunge maskiner universelle fælles koblingssystemer, du ville se i hårde industrielle job.
Plus, Raydafons SWC-tunge universelle ledkobling har svejset flanger for at gøre det mere robust-ikke mere bekymrende om, at bolte løsner sig, og det øger den samlede styrke med 30% til 50%. Som en effektiv universel sammenføjningskobling til stor kraftoverførsel håndterer den nominelle drejningsmomenter fra 0,15 til 1000 kN · m og har gyrationsdiametre fra φ58 til φ620-hvilket gør det til et øverste valg til energibesparende universelle ledkoblingsløsninger i krævende industrielle transmissioner. Og med støj, der holdes mellem 30-40 dB (A), løber denne universelle ledningskobling med lav støj, der er stille, hvilket er ideelt til industrielle pletter, hvor støj er et problem, alt sammen, mens man holder op med høje pålidelighedsstandarder.
Raydafons SWC Universal Joint -kobling - ofte kaldet SWC Cardan Shaft Universal Joint Coupling - er ikke kun en almindelig del; Det er et must-have for tunge industrielle opsætninger, som rullende møller, hejsning af maskiner og alle slags hårde tunge maskinsystemer. Som en universal ledkobling med højt drejningsmoment gør det et solidt job, der forbinder to transmissionsaksler, der ikke stemmer op perfekt, og sørger for, at strømmen fortsætter med at flyde, selv når arbejdsforholdene bliver ru.
Lad os tale om dets nøglespecifikationer: Gyrationsdiameteren varierer fra φ58 til φ620, det nominelle drejningsmoment går fra 0,15 til 1000 kN · m, og aksefoldvinklen er ikke mere end 25 °.
Dette produkt skinner virkelig i specifikke scenarier-ligesom når du har brug for en pålidelig kraftig universal fælles kobling til rullende mølleoperationer, eller en holdbar SWC universal ledskaftkobling i løft og materialehåndteringsudstyr. I disse tilfælde beviser det, at det er værd ved at holde operationerne stabile, selv når det beskæftiger sig med tunge belastninger.
Raydafons SWC Universal Joint-kobling er ikke kun bygget til funktion-det er konstrueret med smart design til at holde op i industriel brug og fortsætte med at udføre godt langsigtet. Lad os nedbryde, hvad der får dens struktur til at skille sig ud.
For det første har det en rimelig og sikker konfiguration: Vi brugte et integreret gaffelhoveddesign til denne industrielle universelle fælles kobling, der skærer ned på risici som bolte, der løsner eller bryder. Det alene øger sin strukturelle integritet med 30%-50%, så det fungerer sikkert og pålideligt. Sammenlignet med regelmæssige koblinger varer det længere og undgår almindelige sammenbrud i højspændingspletter-som det tunge maskiner universelle fælles koblingssystemer, du ser i hårde job.
Så er der dens forbedrede bærende kapacitet: Denne SWC-tunge universelle fælles kobling er lavet til at håndtere store vægte, så det er et must-have på steder, der har brug for top-notch-belastningsstyring, som minedrift eller konstruktionsmaskiner.
Det leverer også høj transmissionseffektivitet - der er op til 98,6%. Som en effektiv universel fælles kobling til stor kraftoverførsel reducerer den energiforbruget og de omkostninger, der følger med det. Derfor er det et øverste valg til energibesparende universelle fælles koblingsløsninger i opsætninger af høje effekt, industrielle transmission.
Og det kører glat med lav støj: det holder transmissionen stabil, og støj forbliver normalt mellem 30-40 dB (A). Denne universelle ledkobling med lav støj sørger for, at operationerne forbliver stille, hvilket er perfekt til steder, hvor støj er et problem-alt sammen med pålideligheden på et højt niveau.
⭐⭐⭐⭐⭐ Chen Liang, produktionsingeniør, Zhejiang Machinery Co., Ltd.
Vi satte Raydafons SWC-WF uden flex-flangetype universel kobling på en af vores produktionslinjer, og det har fungeret godt indtil videre. Strukturens enkle, men hårde - installation af det var en leg, ingen komplicerede trin. Når den er oprettet, kører det glat, ikke behov for ekstra justeringer. Selv når belastningen er tunge, forbliver denne kobling pålidelig, hvilket betyder, at vi kan holde maskinerne i gang lange timer uden at bekymre os for meget - giver os bestemt mere ro i sindet.
⭐⭐⭐⭐⭐ Sun Mei, indkøbsvejleder, Hebei Steel Co., Ltd.
Vores firma købte flere SWC-WF uden flexflangetype universelle koblinger fra Raydafon, og først var leveringen lige til tiden, og emballagen var også omhyggelig-ingen skade overhovedet. Det, der virkelig skiller sig ud for mig, er, hvad workshopholdet sagde: De fortalte mig, at koblingerne var lette at installere, og når de bruger dem, føler de sig virkelig solide. Plus, sammenlignet med andre leverandører, er prisen her fair. Alt i alt er vi virkelig tilfredse med dette køb.
⭐⭐⭐⭐⭐ Guo Jun, vedligeholdelseschef, Liaoning Heavy Industry Group
Mit job er at holde vores maskiner i gang, og jeg prøver at skære nedetid så meget som jeg kan. Siden vi begyndte at bruge Raydafons SWC-WF uden flex-flangetype universel kobling, har jeg bemærket en stor forskel-mindre slid på den del og måde færre problemer under drift. Designet er hårdt, og det behøver ikke meget vedligeholdelse. Det sparer os både tid og penge, og det viste sig at være en super pålidelig del for vores udstyr.
Raydafon er et centralt datterselskab af Ever Power Group Co., Ltd.-Vi er ikke kun en leverandør, men en GO-til-udbyder til transmissionskomponenter i topkvalitet og industrielle løsninger, og vi lægger meget fokus på innovative produkter som SWC Cardan Shaft Universal Joint Kupling. Siden vi startede, har vi handlet om at fremme teknologi og vokse på globale markeder; Vi stoppede ikke med at sælge enkeltkomponenter-nu udarbejder vi fuld-systemløsninger, der passer perfekt til landbrug og tunge industrielle behov. Vores know-how i drevaksler og transmissionsprodukter betyder, at klienter, der har brug for pålidelige tunge universelle fælles koblinger til rullende mølleoperationer (og andre hårde job), kan stole på os som en solid partner.
Hos Raydafon fremstiller vi en bred vifte af produkter: gearkasser, køreskaft, hydrauliske cylindre, remskiver og endda avancerede maskinværktøjer som CNC drejebænke og fræsemaskiner. Vores universelle fælles koblingsløsninger med højt drejningsmoment-Tag SWC-serien, for eksempel-er bygget til at håndtere de strenge krav fra industrier, der har brug for holdbare SWC Universal Joint Shaft-kobling i løft og materialehåndteringsudstyr. Vi har også fået avancerede faciliteter: CNC-workshops, slibning og varmebehandlingsmaskiner, 3D-måleværktøjer-alle til at holde sig til ISO9001/TS16949-standarder, så enhver industriel universal fælles kobling, vi laver, er topkvalitet og præcis.
Vi sælger 80% af vores produkter i udlandet, til markeder som USA, Tyskland, Japan, Italien, Malaysia, Australien og Mellemøsten. Og vi har et stærkt netværk på steder som Kina, Sydkorea, Storbritannien, Singapore, USA og Spanien til at sikkerhedskopiere det. Denne globale rækkevidde giver os mulighed for at skabe tilpassede løsninger, som SWC Heavy-Duty Universal Joint Coupling-Designed for Heavy Machinery Universal Joint Coupling Systems, der har brug for at håndtere store belastninger og vare lang tid.
Innovation og gør kunderne glade er vores prioriteter. Vi tilbyder energibesparende universelle fælles koblingsløsninger, der rammer op til 98,6% transmissionseffektivitet, hvilket skærer driftsomkostninger til opsætninger med høj effekt. Uanset om du har brug for en effektiv universel fælles kobling til stor kraftoverførsel eller en universal fælles sammenkobling med lav støj til steder, hvor støj betyder noget, kommer vores produkter med professionel eftersalgsservice-og vi er dedikeret til at gøre tingene rigtigt. Derfor er Raydafon det bedste valg til alle dine transmissionsbehov.
Adresse
Luotuo Industrial Area, Zhenhai District, Ningbo City, Kina
Tlf


+86-574-87168065


Luotuo Industrial Area, Zhenhai District, Ningbo City, Kina
Copyright © Raydafon Technology Group Co., begrænsede alle rettigheder forbeholdt.
Links | Sitemap | RSS | XML | Privatlivspolitik |
