Produkter
Bugsering og løftecylinder til landbrugsmaskineri
  • Bugsering og løftecylinder til landbrugsmaskineriBugsering og løftecylinder til landbrugsmaskineri
  • Bugsering og løftecylinder til landbrugsmaskineriBugsering og løftecylinder til landbrugsmaskineri

Bugsering og løftecylinder til landbrugsmaskineri

Som en længe etableret producent, der er forankret i Kina, har Raydafon bragt omkostningseffektiv bugsering og løftecylindre til landbrugsmaskiner til landbrugssektoren og er afhængig af sin egen fabrik og modne teknologi. Med sin rimelige pris er det blevet en betroet leverandør for mange landmænd og landbrugsmaskinerskooperativer. Denne bugsering og løftekylinder for landbrugsmaskiner er smedet med fortykket legeringsstål og styrket af syv slukningsprocesser. Det kan let løfte 3-ton landbrugsmaskineri og er kraftigt nok til at løfte og sænke pløjningsudstyr eller indlæsning og losning af trailere. Med pålidelig kvalitet og hensyntagen til eftersalgsservice hjælper Raydafons bugsering og løftecylindre til landbrugsmaskineri landbrugsproduktion forskellige steder at fungere effektivt.

Towing And Lifting Cylinder For Agricultural Machinery

Produktfunktioner

Raydafon, som en kinesisk producent dybt engageret i det hydrauliske felt, har skabt en omkostningseffektiv bugsering og løftekylinder for landbrugsmaskiner med håndværket af sine egne fabriksmestre. Med en rimelig pris er det blevet en betroet leverandør af mange gårde og landbrugsmaskinerfabrikker. Denne cylinder er designet til komplekse arbejdsforhold i landbrugsjord, og dens tre kernefordele gør landbrugsoperationer lettere.


Kraftig og holdbar, med fuld modstand mod smedning: Raydafons bugsering og løftekylinder til landbrugsmaskineri er smedet med minedriftslegeringsstål, cylindervæggen er 30% tykkere, og den hamres gennem otte slukningsprocesser, med en hårdhed, der kan sammenlignes med jernbanesporene. Det kan stabilt løfte 3,5 ton landbrugsmaskineri, og at pløje og bære tungt udstyr er ikke noget problem. Overfladen er belagt med fire lag anti-korrosionsbelægning. Efter to års kontinuerlig brug i saltvand-alkali-land og våde rismarker er cylinderlegemet stadig lige så lyst som nyt uden at lække en dråbe olie.


Så stabilt som et bjerg, fleksibelt at betjene: det originale tovejs hydrauliske balance-system tillader trækning og løftekylinder for landbrugsmaskineriet at blive løftet og sænket nøjagtigt på ujævn kamme. Den indbyggede trykføler udløser automatisk beskyttelse, når den er overbelastet og stopper handlingen inden for 0,3 sekunder.


Tilpasset efter behov, bekymringsfri eftersalg: Det understøtter fuld tilpasning af olieportposition og slagtilfælde og kan tilpasse sig gamle modeller og importerede landbrugsmaskineri. Installation kræver kun at stramme et par skruer, og almindelige landbrugsmaskineroperatører kan gøre det i henhold til instruktionerne. Passeret ISO 9001 og landbrugsmaskinerindustrien dobbeltcertificering og svarede inden for 24 timer, hvis der er et problem. Raydafons produkt er en "hard-core hjælper" til at reducere omkostninger og øge effektiviteten i landbrugsproduktionen.

Towing And Lifting Cylinder For Agricultural Machinery


Produktapplikation

Ved pløjningsoperationer er bugsering og løft cylindre til landbrugsmaskiner "strøm" af pløjningsudstyr. Den tilbagevendende plov trukket af traktoren skal ofte justere dybden af jordindtrængning. Oliecylinderen produceret af Raydafon kan hurtigt og nøjagtigt hæve og sænke plovkroppen og kan også udøve kraft stabilt, når man støder på hårde jordblokke, sikrer ensartet pløjedybde og forbedrer effektiviteten af pløjning. Det er også uundværligt i såningsprocessen. På frøeren styrer oliecylinderen løftning og sænkning af frømåleren og trykhjulets tryk. Ved såning tillader oliecylinderen trykhjulet til at kompwere jorden med passende kraft for at sikre tæt kontakt mellem frøene og jorden og forbedre fremkomsthastigheden; Når man overfører grunde, kan det hurtigt hæve frømåleren for at lette maskinens bevægelse.


I høstfasen spiller bugsering og løftekylinder for landbrugsmaskineri på mejetærskeren en nøglerolle. Når kornboksen er fuld, behøver du kun at betjene oliecylinderen for let at hæve kornboksen og hurtigt losse kornet på transportkøretøjet. Hele processen er glat og arbejdsbesparende. Ved høst af faldne afgrøder kan oliecylinderen desuden også justere overskriftens højde for at sikre glat høst. Derudover kontrollerer oliecylinderen på landbrugstransportudstyr, såsom landbrugsdumpbiler, løftning og sænkning af spanden. Spandet fyldt med halm og gødning kan automatisk vippes og aflæses ved at skubbe oliecylinderen, som er flere gange mere effektiv end manuel håndtering. Som leverandør, der leveres direkte fra fabrikken, leverer Raydafon landmænd og landbrugsmaskinervirksomheder med overkommelige og holdbare produkter gennem storskala produktion, hvilket hjælper hvert trin i landbrugsproduktion.

Towing And Lifting Cylinder For Agricultural Machinery


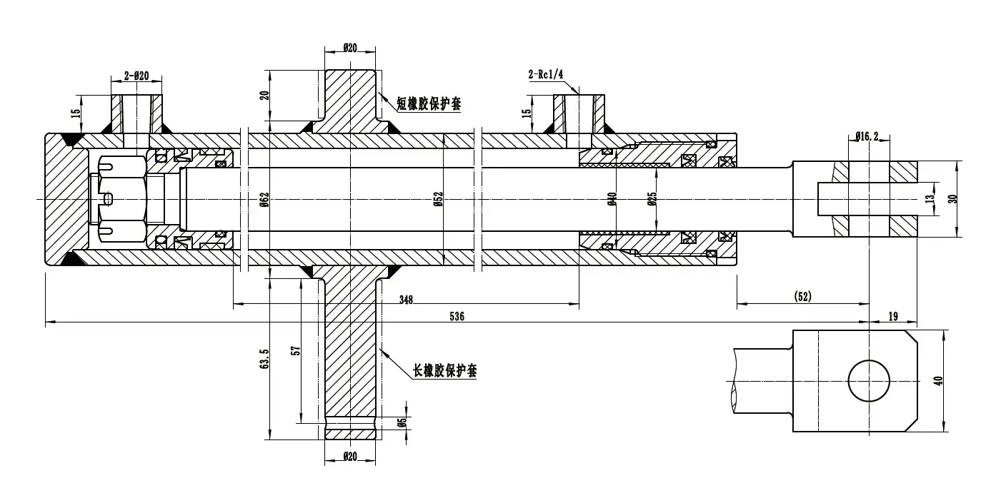
Produktparameter:

Cylindermodel Specifikationer Arbejdstryk Maksimalt modstående pres Rejse Installationsafstand Vægt
HCYY11112017 Φ40 × φ25 × 348 16,7MPa 24,5MPa 348 536 6 kg

Towing And Lifting Cylinder For Agricultural Machinery



Hot Tags: Bugsering og løftecylinder til landbrugsmaskineri
Send forespørgsel
Kontaktoplysninger
For forespørgsler om hydrauliske cylindre, gearkasser, PTO -aksler eller prisliste, skal du forlade din e -mail til os, og vi vil være i kontakt inden for 24 timer.
X
Vi bruger cookies til at tilbyde dig en bedre browsingoplevelse, analysere trafik på webstedet og tilpasse indhold. Ved at bruge denne side accepterer du vores brug af cookies. Privatlivspolitik
Afvise Acceptere