QR kode
Produkter
Kontakt os


Fax
+86-574-87168065

E-mail

Adresse
Luotuo Industrial Area, Zhenhai District, Ningbo City, Kina
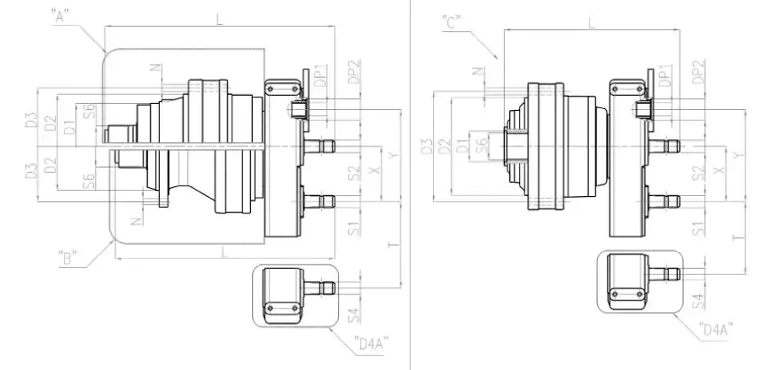
| Model | PG-702 | PG-1002 | PG-1602 | PG-1802 | PG-2502 | PG-3002 | PG-3503 | |||
| Forhold i | 18.2 | 18.3 | 13.4-33.6 | 15.7-29.9 | 14.6-20-36.2 | 45.3 | 53.7 | |||
| Output type | B | B | B | C | B | C | A | C | C | C |
| D1 |
|
|
|
88HB |
|
88HB | 245F7 | 102H7 | 102H7 | 122HF |
| D2 | 200F7 | 230F7 | 230F7 | 278F7 | 230f | 278F7 | 340F7 | 340F7 | 340F7 | 340F7 |
| D3 | 250 | 295 | 295 | 314 | 295 | 314 | 370 | 370 | 370 | 370 |
| N | ∅15 × N ° 12 | ∅17 × N ° 10 | ∅17 × N ° 10 | ∅15 × N ° 18 | ∅17 × N ° 10 | ∅15 × N ° 18 | ∅17 × N ° 15 | ∅17 × N ° 15 | ∅17 × N ° 15 | ∅17 × N ° 15 |
| L | 646.5 | 627.5 | 693 | 490.5 | 714 | 499.5 | 798.5 | 595.5 | 601 | 680.5 |
| S6 | 70*64 DIN5482 | 80*74 DIN5482 | 100*94 DIN5482 | 80*74 DIN5482 | 100*94 DIN5482 | 80*74 DIN5482 | 100*94 DIN5482 | 100*94 DIN5482 | 100*94 DIN5482 | 120*22*5 DIN5482 |
| S1 | 1 "3/8 Z6 | 1 "3/8 Z6 | 1 "3/8 Z6 | 1 "3/8 Z6 | 1 "3/8 Z6 | 1 "3/8 Z6 | 1 "3/8 Z6 | 1 "3/8 Z6 | 1 "3/8 Z6 | 1 "3/8 Z6 |
| S2 | 1 "3/8 Z6 | 1 "3/8 Z6 | 1 "3/8 Z6 | 1 "3/8 Z6 | 1 "3/8 Z6 | 1 "3/8 Z6 | 1 "3/8 Z6 |
|
|
|
| DP1 | 40*36 DIN5482 | 40*36 DIN5482 | 40*36 DIN5482 | 40*36 DIN5482 | 40*36 DIN5482 | 40*36 DIN5482 | 40*36 DIN5482 | 40*36 DIN5482 | 40*36 DIN5482 | 40*36 DIN5482 |
| DP2 | 60,3HB | 60,3HB | 60,3HB | 60,3HB | 60,3HB | 60,3HB | 60,3HB | 60,3HB | 60,3HB | 60,3HB |
| X | 157 | 157 | 157 | 157 | 157 | 157 | 157 | 157 | 157 | 157 |
| Y | 262 | 262 | 262 | 262 | 262 | 262 | 262 | 262 | 262 | 262 |
| S4 |
|
|
|
1 "3/8 Z6 |
|
1 "3/8 Z6 |
|
1 "3/8 Z6 | 1 "3/8 Z6 | 1 "3/8 Z6 |
| T |
|
|
|
156.8 |
|
156.8 |
|
156.8 | 156.8 | 156.8 |
| Model | Forhold i | D1 | D2 | D3 | D4 | N | E |
| PG-1602 | 22.14-33.6 | 80*74 DIN5482 | 225 F7 | 278 F7 | 314 | ∅15 × N ° 18 | SAE B/SAE C. |
| PG-2502 | 20-36.2 | 100*94 DIN5482 | 245 F7 | 340F7 | 370 | ∅17 × N ° 15 | SAE B/SAE C. |
| Model | Forhold i | D1 | D2 | D3 | N | E |
| PG-161 | 3,55-2,49-5,60 | 40*36 DIN5482 | 110 F7 | 165 | ∅10,5 × N ° 8 | SAE A/SAE B/SAE BB/OMTS |
| PG-251 | 4.13-5.17-6.00 | 58*53 DIN5482 | 150 F7 | 195 | ∅13 × N ° 10 | SAE A/SAE B/SAE BB/OMTS |
| PG-501 | 4.13-5.17-6.00 | 58*53 DIN5482 | 150 F7 | 195 | ∅13 × N ° 10 | SAE A/SAE B/SAE BB/OMTS |
Udviklingen afPG Series Feed Mixer Planetary Gearboxstammer fra en dyb indsigt i smerterne i transmissionssystemet for traditionelt blandingsudstyr. Dens tre planetariske geardistribueret transmissionsarkitektur er ikke en simpel stabling af mekaniske strukturer, men gennem gentagen simulering af stressforholdene under forskellige råmaterialeforhold bestemmes den gyldne kombination af gearmodul, tandbredde og helixvinkel endelig. For eksempel, når man behandler majsstængler og sojabønne måltider, kan dets unikke involverede tanddesign reducere risikoen for materiale, der fastklemmer med 15%. Med den højpræcisionsslibningsproces kontrolleres tandoverfladen ruhed under RA0.8, hvilket øger transmissionseffektiviteten med 8% -10% sammenlignet med traditionelle gearkasser. De målte data fra en foderfabrik viser, at i 12 timers kontinuerlig drift pr. Dag er energiforbruget i denne gearkasse 14% lavere end for lignende produkter, og momentsvingningsamplituden af blandingsakslen reduceres med 22% markant, hvilket forbedrer blandingsuniformiteten markant.
For hårde partikler såsom sand, sten og metalrester, der ofte blandes i foder med råmaterialer, er denne gearkasse blevet målrettet med hensyn til materialer og processer. Gearkroppen er lavet af 20crmnti legeringsstål. Efter at have slukket behandling med en karbureringsdybde på 1,2 mm kombineret med en lav temperatur tempereringsproces, øges tandrødbøjningstræthedsstyrken til mere end 850MPa. Under de ekstreme arbejdsvilkår for ufuldstændig råmateriale-screening i en ranch har dens pitting modstand modstået et kontinuerligt 500-timers sand- og gruspåvirkningstest, og kun små ridser dukkede op på tandens overflade uden skrælning. På samme tid ved at optimere ribbenpladelayoutet og bære forudindlæsning af planetbæreren kan gearkassen stadig opretholde transmissionsnøjagtigheden, når den udsættes for en øjeblikkelig påvirkning af 1,5 gange det nominelle drejningsmoment, idet man undgår risikoen for gear forkert justering eller tandbrud forårsaget af overbelastning.
Det intelligente design af gearkassen er afledt af en dyb forståelse af smertepunkterne for drift og vedligeholdelse i foderforarbejdningsindustrien. Dets indbyggede intelligente overvågningsmodul er ikke en simpel datakuller, men en tværanalyse af temperatur, vibrationer, strøm og andre signaler gennem en algoritme-model. For eksempel, når lejetemperaturen detekteres for at være unormalt høj, vil systemet kombinere belastningshistorikdataene for at bestemme, om det er utilstrækkeligt smøring eller bæretøj og skubbe specifikke vedligeholdelsesanbefalinger. Efter anvendelse af dette system undgik et feedfirma tre ikke -planlagte nedetid ved at udskifte fedt og justere lejeklarering på forhånd, og den samlede udstyrseffektivitet (OEE) steg med 18%. Derudover blev designet af dens modulære hurtige frigivelsesstruktur inspireret af feedback fra frontlinievedligeholdelsespersonalet. Kun fire bolte skal løsnes for at afslutte den samlede udskiftning af det planetariske gearsæt, og vedligeholdelsestiden forkortes fra 4 timer af den traditionelle struktur til 1,5 timer.
Med hensyn til miljøbeskyttelse og energieffektivitetsoptimering stammer den innovative design af gearkassen fra det nøjagtige greb om foderindustriens behov for at reducere omkostningerne og øge effektiviteten. Dens varmeafledningsstruktur øger ikke blindt varmeafledningsområdet, men optimerer spiralvinklen og afstand af varmeafbrydelsesribben gennem væskemekaniksimulering, så den naturlige varmeafledningseffektivitet øges med 30%og derved reducerer energiforbruget for køleventilatoren. I smøresystemet vedtages dobbeltzone olieforsyningsteknologi for dynamisk at justere olievolumen i henhold til belastningen, undgå "oversvømmelses" smøremetode til traditionelle gearkasser og reducere smøremiddelforbruget med 25%. Den faktiske måling af en foderproduktionslinje, der eksporteres til Europa, viser, at støjniveauet i gearkassen er 5DB lavere end EU -standarden, og dens energieffektivitetsniveau når IE3 -standarden, hvilket hjælper kunder med at videregive energieffektivitetscertificeringen i importlandet. Dette designkoncept, der dybt binder tekniske detaljer med kommerciel værdi, er nøglen til produktets vindende markedsgenkendelse.
Hej! Jeg er Elena García, en kunde fra Barcelona, Spanien. Vi har brugt din planetariske gearkasse i vores fotovoltaiske panelsporingssystem i halvandet år. Dette udstyr har fuldstændigt løst vores problem med solskinsporingsnøjagtighed - den gearkasse, vi brugte før, havde altid en sporingsafvigelse på ca. 5 grader hver morgen og aften, mens din planetariske gearkasse med koder kan kontrollere sporingsfejlen inden for 0,5 grader. Nu er den gennemsnitlige daglige kraftproduktion af fotovoltaiske paneler steget med 18% sammenlignet med før, og endda elregningen er blevet markant tyndere. Nu har denne planetariske gearkasse modstået testen af saltspray og stærk vind i det fotovoltaiske kraftværk på havet. Anti-korrosionsbelægningen af gearkassehuset har ikke vist nogen tegn på at falde af, og den interne gearolie behøver ikke udskiftes så ofte som før. Jeg ser frem til at arbejde sammen med dig i mere vedvarende energiprojekter i fremtiden!
Jeg er Hans Müller, en mekanisk ingeniør fra Tyskland. For et halvt år siden købte jeg Raydafons planetariske gearkasser til produktionsopgradering af produktionslinjer. Efter at have brugt dem overskred de mine forventninger! Udstyret kører med høj belastning i 16 timer om dagen for at behandle råmaterialer med høj viskositet. Gearkassestøjen reduceres med 20%, transmissionseffektiviteten er stabil ved mere end 94%, temperaturstigningen styres altid inden for 25 ° C, og holdbarheden er langt bedre end de gamle modeller. Dit team var professionelt og effektivt under hele processen, fra tidlig parameteroptimering, forseglingsstrukturjustering til fjernbetjeningsvejledning. Det detaljerede design (såsom støvtæt tætninger og standardiserede monteringshuller) afspejler yderligere en dyb forståelse af de faktiske arbejdsforhold. Raydafons produktkvalitet og serviceniveau fik mig til at inkludere det på listen over langvarige leverandører uden tøven, og anbefaler det kraftigt til mine kammerater!
Jeg har kørt en ranch i så mange år og har ændret mange gearkasser. Det var først, før jeg brugte Raydafons planetariske gearkasse, at jeg virkelig indså, hvad det betyder at være bekymringsfri! Det udstyr, jeg brugte før, blev altid underpowered, når man blandede ensilage, og gearene gled ofte. Jeg forventede ikke, at din planetariske gearkasse ville være så kraftig. Dit produkt er meget enklere at installere, end jeg troede, og det er også let at vedligeholde. Sidste gang jeg selv foretog en daglig inspektion, fandt jeg, at gearkassen var meget godt forseglet, og der var overhovedet ikke noget tegn på olielækage. Jeg vil bestemt fortsætte med at støtte dig i fremtiden og anbefale dig til mine rancher -venner! ---- Mark Johnson
Adresse
Luotuo Industrial Area, Zhenhai District, Ningbo City, Kina
Tlf


+86-574-87168065


Luotuo Industrial Area, Zhenhai District, Ningbo City, Kina
Copyright © Raydafon Technology Group Co., begrænsede alle rettigheder forbeholdt.
Links | Sitemap | RSS | XML | Privatlivspolitik |
