Produkter
Gødning af frø Gearkasse EP35 til gødningens tv -station
  • Gødning af frø Gearkasse EP35 til gødningens tv -stationGødning af frø Gearkasse EP35 til gødningens tv -station
  • Gødning af frø Gearkasse EP35 til gødningens tv -stationGødning af frø Gearkasse EP35 til gødningens tv -station

Gødning af frø Gearkasse EP35 til gødningens tv -station

Som professionel producent og leverandør i Kina har Raydafons egen fabrik genialt skabt gødning af frø Gearbox EP35 til gødningsformer, som er skræddersyet til gødningsspredere! Produktet er velegnet til mainstream gødningsspreder -modeller, og hastighedsforholdet er nøjagtigt matchet med EP35 -serien. Boksen er lavet af højstyrke af dysestøbt aluminiumslegering, som er let, men har stærk påvirkningsmodstand og kan modstå 8 timers kontinuerlig højintensiv drift. Gearene er nitridede med en overfladehårdhed på HV700 og en 50% stigning i slidstyrke. Fra F & U og produktion til kvalitetsinspektion og forsendelse kontrollerer vi hele processen og giver dig effektiv og holdbar gødningsspreder transmissionsløsninger til en meget konkurrencedygtig pris!

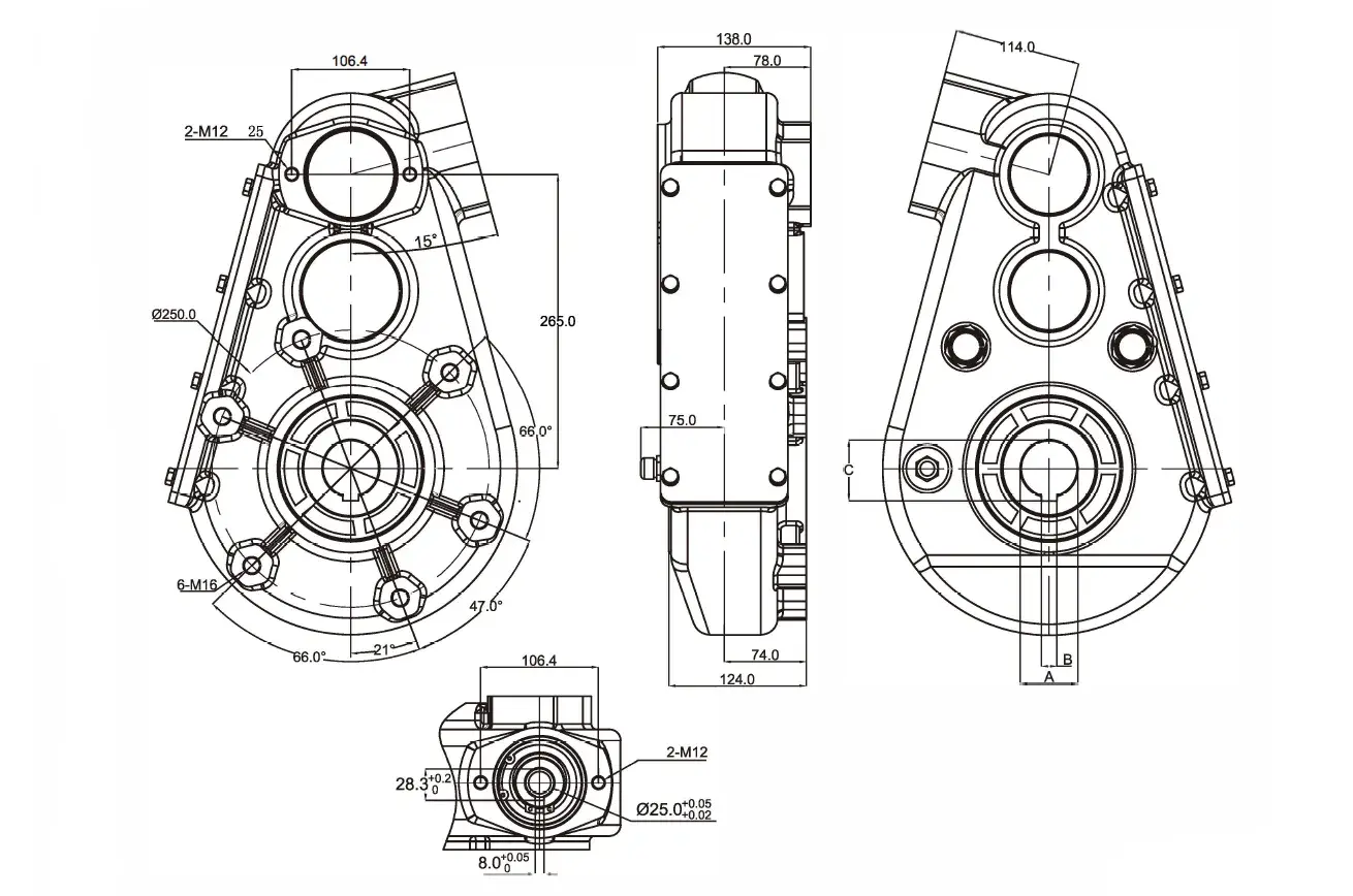
Produktdimensioner

Fertilizer Seeder Gearbox Ep35 For Fertilizer Broadcaster

Produkttekniske data

i Egnet RPM -input RPM -output Outputmoment Vægt Tanding
r/min r/min N.M. kg
Decelerate 24.3: 1 Gødningens tv -selskab osv 1000 41 3500 47 Gleason Helical
Tænder
Bemærkning: Hvis du har nogen speciel, kræver du velkommen, så lad mig det vide, vi accepterer også brugerdefineret.


A B C
Φ45 14 48.8
Φ50 14 53.8
Φ60 18 64.4

Produktfordele

Præcisionsoverførselsdesignet af gødning af frøområdet Gødning tillader gødning, der udledte dele af gødningssprederen, at rotere med en stabil hastighed med minimal fejl. Uanset om det er granulær sammensat gødning eller pulveriseret organisk gødning, kan det spredes jævnt i marken. Tidligere, når de påførte gødning, var folk altid bekymrede for, at nogle steder ville have mere gødning, og nogle steder ville have mindre gødning. Nu med vores gearkasse er gødningen jævnt fordelt, og 10% - 15% af gødning kan gemmes pr. Acre, hvilket er rigtige penge.

Gearkasseskallen er lavet af alloy-materiale med høj styrke, og de indre gear er specielt hærdet og har super slidbestandighed. Under befrugtningsprocessen vil friktionen af gødningspartikler og vibrationen af marken ikke have meget indflydelse på det. Almindelige gearkasser skal muligvis repareres efter et eller to kvartaler, men Raydafons gødning af frø Gealer Gearbox kan bruges i tre til fem år uden problemer, hvilket i høj grad reducerer omkostningerne ved vedligeholdelse og udskiftning.


Uanset om det er en lille gødning af pushpen-gødning eller en stor gødningstype gødning, kan denne gearkasse let tilpasses. Hastighedsforholdet kan justeres i henhold til forskellige befrugtningsbehov. Ved såning af forskellige afgrøder, såsom hvede og majs, kan det hurtigt skifte til den passende gødningsafladningshastighed. Derudover er det let at installere og kræver ikke større ændringer af gødningssprederen. Almindelige landmænd kan gøre det alene, hvilket er meget praktisk.


Gødningens seederer Gearbox EP35 for gødningsformer har ekstremt høj kraftoverførselseffektivitet, hvilket gør det muligt for gødningssprederen at nå frem til arbejdende tilstand hurtigt og reducere energitab. Tidligere kunne kun 20 hektar jord befrugtes på en dag. Nu med denne gearkasse kan 5-8 hektar mere udføres hver dag. Ved at drage fordel af godt vejr kan befrugtningsoperationer afsluttes hurtigere uden at forsinke landbrugstiden. På samme tid har gearkassen lav støj under drift og vil ikke forstyrre det omgivende miljø, hvilket gør befrugtningsoperationer mere komfortable.

Fertilizer Seeder Gearbox Ep35 For Fertilizer Broadcaster


Kundeudtalelser

Din gødning af frø Gearbox EP35 er virkelig god! Efter at have installeret den, løber frøeren meget glat. Tidligere brød maskinen ofte sammen, når man påførte gødning, men nu er der ingen grund til at bekymre sig om det overhovedet, og podningseffektiviteten er forbedret meget. Denne gearkasse er af meget god kvalitet, og skallen er meget solid. Det ser meget holdbart ud. Det er også meget praktisk at vedligeholde. Du kan betjene det selv i henhold til instruktionerne, hvilket sparer meget tid og penge. Jeg stødte på et lille problem, da jeg brugte det sidste gang. Jeg kontaktede din eftersalgsservice, og de hjalp mig med at løse den hurtigt. Tjenesten var meget professionel. Jeg har anbefalet dine produkter til andre landmænd, og de er også meget interesserede. Jeg ser frem til at fortsætte med at samarbejde med dig i fremtiden, og jeg ønsker din virksomhed bedre og bedre udvikling! ------ Mark Johnson


Hej, jeg er Alex Parker, en Raydafon -kunde. Jeg tog det rigtige valg, da jeg købte din gødningsperiekasse! Den gamle gearkasse plejede at være en rigtig smerte, hver gang jeg gik til markerne, enten fordi gødningerne ville sidde fast, eller gearene ville gøre en gennemborende støj. Nu hvor jeg har installeret denne, løber frøboret meget glat, gødningen spredes jævnt og hurtigt, og endda hastigheden på instrumentbrættet er så stabilt som et ur. Sidste gang rørte jeg ved et uheld sikkerhedskontakten under driften, og maskinen stoppede pludselig. Jeg ringede til din eftersalgsservice, og teknikeren lærte mig, hvordan man nulstiller den direkte via FaceTime. Det tog mindre end 15 minutter at ordne det, hvilket er hurtigere end gårdsmaskinerbutikken i nærheden af mit hjem. Nu er alle tre frøøvelser på min gård blevet erstattet med din gearkasse!


Jeg er Mia Cooper fra Australien. Siden jeg kontraherede denne gård, har jeg ændret podnings- og gødningsudstyr flere gange, og Raydafons gødningskasse er den mest bekymringsfri! Tidligere, da maskinen stødte på en masse huller eller hård jord, ville gearene glide som et raserianfald, og gødningen spredte sig var ujævn, så jeg måtte sprede det manuelt. Din gearkasse er så kraftig, kraften er stabil og tilstrækkelig. Sidste gang regnede det i to på hinanden følgende dage, og andre maskiner brød sammen, men min frøbor løb stadig fremad, og gødningen blev spredt jævnt som om den blev målt med en lineal. Efter at have brugt den i næsten et år, er ikke engang en skrue af gearkassen blevet løsnet. Årets hvedeudbytte pr. MU er steget med 20% sammenlignet med sidste år! I fremtiden, når jeg har brug for landbrugsmaskiner, vil jeg først tænke på dig!





Hot Tags: Gødning af frø Gearkasse EP35 til gødningens tv -station
Send forespørgsel
Kontaktoplysninger
For forespørgsler om hydrauliske cylindre, gearkasser, PTO -aksler eller prisliste, skal du forlade din e -mail til os, og vi vil være i kontakt inden for 24 timer.
X
Vi bruger cookies til at tilbyde dig en bedre browsingoplevelse, analysere trafik på webstedet og tilpasse indhold. Ved at bruge denne side accepterer du vores brug af cookies. Privatlivspolitik
Afvise Acceptere